555时基电路的分析和应用

图1 555集成电路内部结构图
555集成电路是8脚封装,双列直插型,如图2(A)所示,按输入输出的排列可看成如图2(B)所示。其中6脚称阈值端(TH),是上比较器的输入;2脚称触发端(TR),是下比较器的输入;3脚是输出端(Vo),它有O和1两种状态,由输入端所加的电平决定;7脚是放电端(DIS),它是内部放电管的输出,有悬空和接地两种状态,也是由输入端的状态决定;4脚是复位端(MR),加上低电平时可使输出为低电平;5脚是控制电压端(Vc),可用它改变上下触发电平值;8脚是电源端,1脚是地端。

图2 555集成电路封装图
我们也可以把555电路等效成一个带放电开关的R-S触发器,如图3(A)所示,这个特殊的触发器有两个输入端:阈值端(TH)可看成是置零端R,要求高电平,触发端(TR)可看成是置位端S,要求低电平,有一个输出端Vo,Vo可等效成触发器的Q端,放电端(DIS)可看成是由内部放电开关控制的一个接点,由触发器的Q端控制:Q=1时DIS端接地,Q=0时DIS端悬空。另外还有复位端MR,控制电压端Vc,电源端VDD和
地端GND。这个特殊的触发器有两个特点:
(1)两个输入端的触发电平要求一高一低,置零端R即阈值端(TH)要求高电平,而置位端s即触发端(TR)则要求低电乎;
(2)两个输入端的触发电平使输出发生翻转的阈值电压值也不同,当V c端不接控制电压时,对TH(R)端来讲,>2/3VDD是高电平1,<2/3VDD是低电平0:而对TR(S)端来讲,>1/3VDD是高电平1,<1/3VDD是低电平0。如果在控制端(Vc)上控制电压Vc时,这时上触发电平就变成Vc值,下触发电平就变成1/2Vc值,可 见改变控制端的控制电压值就可以改变上下触发电平值。它的功能表见图3(B)所示。

图3 555电路等效R—S触发器
555集成电路有双极型和CMOS型两种。CMOS型的优点是功耗低、电源电压低、输入阻抗高,但输出功率较小,输出驱动电流只有几毫安。双极型的优点是输出功率大,驱动电流达200毫安,其他指标则不如CMOS型的。
555的应用电路很多,只要改变555集成电路的外部附加电路,就可以构成几百种应用电路,大体上可分为555单稳、555双稳及555无稳(即振荡器)三类。
2 555单稳电路
单稳电路有一个稳态和一个暂稳态,是利用电容的充放电形成暂稳态的,因此它的输入端都带有定时电阻和定时电容,常见的555单稳电路有两种:
1)人工启动型
将555电路的6、2脚并接起来接在RC定时电路上,在定时电容CT,两端接按钮开关SB,就成为人工启动型555单稳电路,如图4(a)所示,用等效触发器替代555,并略去与单稳工作无关的部分后见图4(b)所示,下面分析它的工作原理:
稳态:接上电源后,电容CT很快充电到VDD,从图4(b)看到,触发器输入R=1,S=1,从功能表看到输出Vo=0,这是它的稳态。
暂稳态:按下开关SB,CT上电荷很快放到零,相当于触发器输入R=0,S=0,输出立即翻转成Vo=l,暂稳态开始。开关放开后,电源又向CT充电,经过时间TD后,CT上电压上升到>2/3VDD时,输出又翻转成Vo=O,暂稳态结束。TD就是单稳电路的定时时间或延时时间,它和定时电阻RT和定时电容CT的值有关:

图4人工启动型555单稳电路
2)脉冲启动型
将555电路的6、7脚并接起来接在定时电容CT上,用2脚作输入就成为脉冲启动型单稳电路,如图5(a)所示,电路的2脚平时接高电平,当输入接低电平或输入负脉冲时才启动电路,用等效触发器替代555后见图5 6)所示,下面分析它的工作原理:
稳态:接上电源后,R=1,S=1,输出Vo=0,DIS端接地,CT上的电压为0即R=0,输出仍保持Vo=0,这是它的稳态。
暂稳态:输入负脉冲后,输入S=0,输出立即翻转成Vo=1,DIS端开路,电源通过RT向CT充电,暂稳态开始。经过时间TD后,CT上电压上升到>2/3VDD时,输入又成为R=1,S=1,这时负脉冲已经消失,输出又翻转成Vo=0,暂稳态结束。这时内部放电开关接通,DIS端接地,CT上电荷很快放到零,为下一次定时控制作准备。电路的定时时间TD=1.1RTCT。
这两种单稳电路常用作定时延时控制。

图5脉冲启动型单稳电路
3 555双稳电路
常见的555双稳电路有两种:
1)R-S触发器型双稳
将555电路的6、2脚作为两个控制输入端,7端不用,就成为一个R-S触发器。注意两个输入端的触发电平和阈值电压不同,如图6(a)所示,有时可能只有一个控制端,这时另外一个控制端要设法接死,根据电路要求可以把R端接到电源端,如图6(b)所示,也可以把S接地,用R端作输入。
有两个输入端的双稳电路常用作电机调速、电源上下限告警等用途。有一个输入端的双稳电路作为单端比较器用于各种检测电路。
图6 555构成R-S触发器
2)施密特触发器型双稳
将555电路的6、2脚并接起来接成只有一个输入端的触发器,如图7(a)所示,这个触发器输出电压和输入电压的关系是一个长方形的回线形,如图7(b)所示,从曲线可知,当输入V1=0时输出Vo=1,当输入电压从0上升到>2/3VDD后,Vo翻转成0,当输入电压从最高值下降到<1/3VDD后,Vo又翻转成1。由于它的输入有两个不同的阈值电压,所以,这种电路常用于电子开关,各种控制电路、波形的变换和整形,如图8所示。

图7 555构成施密特触发器
图8波形的变换和整形
4 555无稳电路(振荡器)
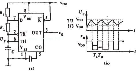
由555定时器构成的多谐振荡器如图9(a)所示,其工作波形见图9(b)。
接通电源后,电源VDD通过R1和R2对电容C充电,当Uc<1/3VDD时,振荡器输出Vo=1,放电管截止。当Uc充电到≥2/3VDD后,振荡器输出Vo翻转成0,此时放电管导通,使放电端(DIS)接地,电容C通过R2对地放电,使Uc下降。当Uc下降到≤1/3VDD后,振荡器输出Vo又翻转成1,此时放电管又截止,使放电端(DIS)不接地,电源VDD通过R1和R2又对电容C充电,又使Uc从1/3VDD上升到2/3VDD,触发器又发生翻转,如此周而复始,从而在输出端Vo得到连续变化的振荡脉冲波形。脉冲宽度TL≈0.7R2C,由电容C放电时间决定;TH=0.7(R1+R2)C,由电容C充电时间决定,脉冲周期T≈TH+TL。

图9 555构成多谐振荡器
上面仅讨论了由555定时器构成的几种典型应用实例。实际上,由于555定时器灵敏度高,功能灵活,因而在电子电路中获得广泛应用。
- 刊登此文只为传递信息,并不表示赞同或者反对作者观点。
- 如果此内容给您造成了负面影响或者损失,本站不承担任何责任。
- 如果内容涉及版权问题,请及时与我们取得联系。

文章评论